Ürünler
DIN Standart Glob Vana
  • DIN Standart Glob VanaDIN Standart Glob Vana

DIN Standart Glob Vana

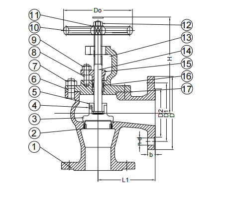
DIN Standart Glob Vana, DIN 3356, BS 1873 ve EN 13709/EN 12516 standartlarına uygun olarak tasarlanıp üretilmektedir ve yapı uzunluğu DIN 3202 ve EN 558-1'e uygundur. Flanş arayüzü (FF/RF/RTJ tipi) EN 1092-1 ve DIN 2543~2550 serisine göre standarttır. Test sistemi DIN 3230 spesifikasyonlarını uygular ve basınç değerleri PN16 ila PN100 aralığını kapsar.

Yapısal malzeme

Dökme çelik, sünek demir, karbon çeliği, paslanmaz çelik ve diğer mühendislik malzemeleriyle üretilen malzeme seçimi aşağıdaki temel özelliklere dayanmaktadır: Mükemmel basınç/sıcaklık direnci; Uzun süreli korozyon direnci; Belirli çalışma koşullarına uyum


Fonksiyonel prensip

Hassas sıvı kontrolü, mil tahrikli diskler aracılığıyla sağlanır ve aktüatör isteğe bağlıdır: Manuel çalıştırma (standart); Pnömatik tahrik (ISO 5211 arayüzü); Elektrikli uygulama (IEC 60534'e göre).


Sızdırmazlık sistemi

Sızdırmazlık çifti konfigürasyonu, DIN Standart Küresel Vana sızıntı seviyesini belirler (EN 12266'ya göre): Metal sert conta (yüksek sıcaklık ve yüksek basınç koşulları);Metal PTFE Kompozit Contalar (Kimyasal Ortam); Metal elastomer contalar (sıfır sızıntı gereksinimi)


Basınç seviyesi

Standart basınç aralığı: PN10 ila PN400 (ASME Sınıfı 150~2500'e karşılık gelir)


Bağlantıyı sonlandır

Flanş (EN 1092-1), diş (ISO 7-1/ISO 228-1), alın kaynağı (ASME)

Sıcak Etiketler: DIN Standart Glob Vana
Talep Gönder
İletişim bilgileri
Kelebek valfi, çek valfı, bilyalı valf veya fiyat listesi hakkında sorular için lütfen e -postanızı bize bırakın ve 24 saat içinde iletişim halinde olacağız.
X
Size daha iyi bir gezinme deneyimi sunmak, site trafiğini analiz etmek ve içeriği kişiselleştirmek için çerezleri kullanıyoruz. Bu siteyi kullanarak çerez kullanımımızı kabul etmiş olursunuz. Gizlilik Politikası
Reddetmek Kabul etmek